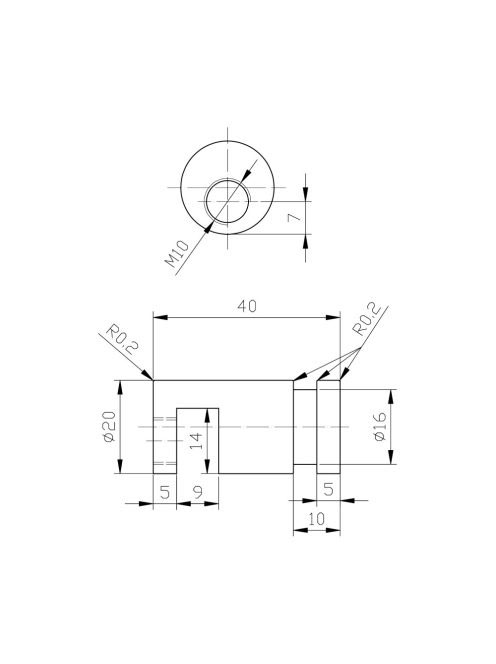
Sapho fogas zuhanykabinra, matt fekete 1301-08B - Fürdőszoba
Budapesti Üzletünk
Budapest, 1106 Jászberényi út 43.
H-P : 10:00-18:00 | Szo: 10:00-14:00 | V: ZÁRVA

Budaörsi Üzletünk
Budaörs, 2040 Törökbálinti utca 23.
H-P : 9:00-17:00 | Szo: 10:00-14:00 | V: ZÁRVA
Az árak tájékoztató jellegűek, az árváltoztatás, illetve a tévedés jogát fenntartjuk.
Csempék, járólapok, padlólapok, márkás burkolólapok forgalmazása, széles csempeválaszték, frissülő csempe, szaniter, padlólap, készlet Folyamatos Csempe Akciók
Copyright © 2023 Csempe | Járólap | Fürdőszoba | Konyha | Legjobb Áron!. Minden jog fenntartva.

